Max Myzer

I am a Computer Engineering graduate from Kansas State University with a passion for embedded systems, IoT, and software development. I enjoy creating innovative solutions that bridge the gap between hardware and software.

Portfolio

PAWSTAT

Portable Animal Wellness System for Tracking Arterial Tension, or PAWSTAT

Flight Data Logger

An embedded system for logging flight data on high-powered rockets using an ESP32 microcontroller.

FPGA Oscilloscope

An oscilloscope built using an FPGA development board and custom Verilog HDL code.

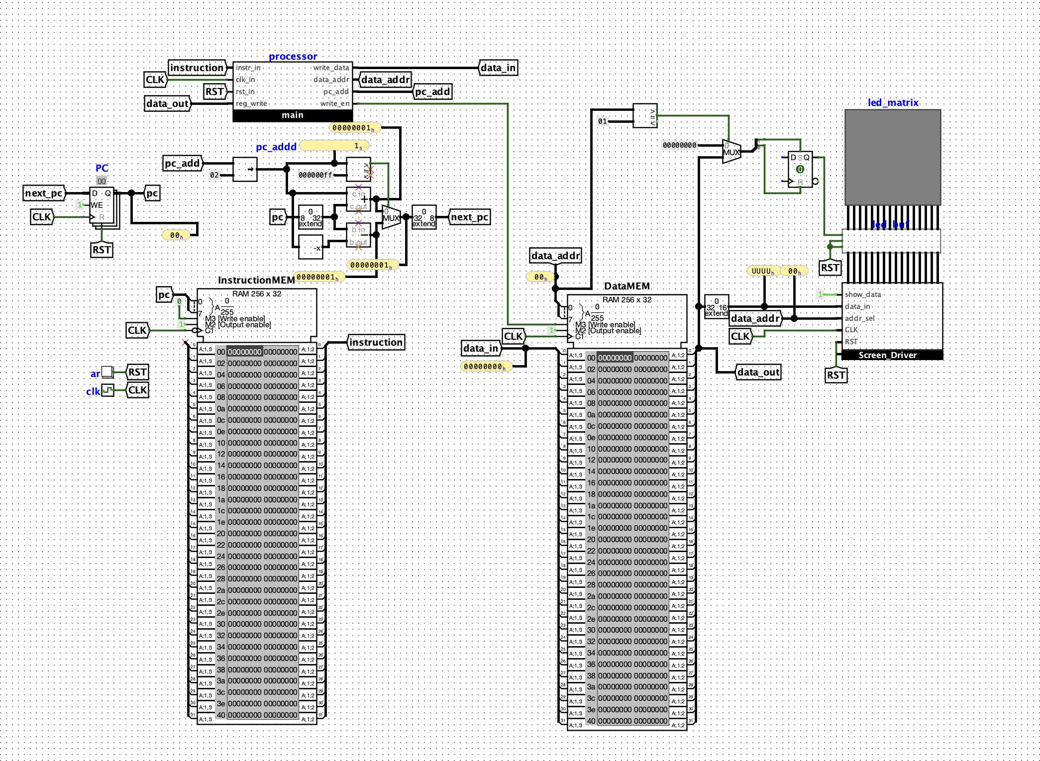
RISCV CPU Design

A simple RISC-V CPU designed in LogiSim and simulated with custom assembly code.

HomeLab

My personal home server setup for hosting various services and applications.

FOSS Contributions

Contributions to various open-source projects on GitHub and GitLab.

Other projects

Thats not all I've worked on! Check out my other projects and contributions.

Education

Kansas State University

B.Sc. Computer Engineering, Minor in Computer Science

2020 - 2024